The Daily Insight

Connected.Informed.Engaged.

news

What is the Ademco Vista 20p wiring diagram?

Written by Madison Flores — 0 Views

What is the Ademco Vista 20p wiring diagram?

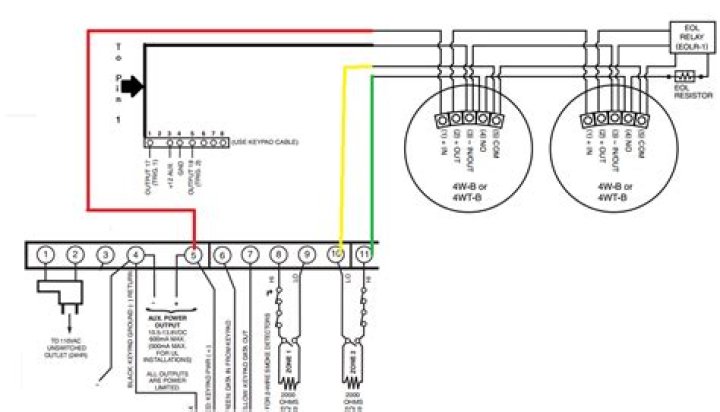
Connect the flying leads of an RJ-31X cord to the terminals as shown. The Ademco Vista 20P diagram inside the lid indicates the standard colors for each screw terminal, making things easy.

What are the colors of Ademco Security cable?

This cable is usually manufactured with the colors red, black, green, and yellow (or white) for the individual wire insulation. This makes it easy to keep track of the power and data pairs, as well as the polarity of each. Ademco deserves extra credit for designating these terminals by color, rather than by “in” and “out”.

What kind of cable do you need for Ademco zone expanders?

Connect data leads from keypads, zone expanders, or other data devices. Include at least one Ademco 6160 keypad to make advanced programming easier. The typical wiring used for any devices requiring data, such as keypads, is 4-conductor jacketed cable.

What kind of cable is used for Ademco keypads?

Include at least one Ademco 6160 keypad to make advanced programming easier. The typical wiring used for any devices requiring data, such as keypads, is 4-conductor jacketed cable. This cable is usually manufactured with the colors red, black, green, and yellow (or white) for the individual wire insulation.

Connect the flying leads of an RJ-31X cord to the terminals as shown. The Ademco Vista 20P diagram inside the lid indicates the standard colors for each screw terminal, making things easy.

Include at least one Ademco 6160 keypad to make advanced programming easier. The typical wiring used for any devices requiring data, such as keypads, is 4-conductor jacketed cable. This cable is usually manufactured with the colors red, black, green, and yellow (or white) for the individual wire insulation.

What is the wiring diagram for Honeywell Vista 20p?

The image of the Honeywell Vista 20p wiring diagram is small, but you can click to enlarge it. Also, I highly recommend that you download a free copy of the complete Ademco manual, which will include a full-size image of the wiring diagram. It also gives detailed specs and ratings for the system and all its terminals.

This cable is usually manufactured with the colors red, black, green, and yellow (or white) for the individual wire insulation. This makes it easy to keep track of the power and data pairs, as well as the polarity of each. Ademco deserves extra credit for designating these terminals by color, rather than by “in” and “out”.

What do you need to know about the Ademco Security Manual?

About This Manual This manual is a step-by-step guide that will acquaint you with the system’s features and benefits. It defines the components and their functions, describes their operation, and provides clear step-by-step instructions for normal and emergency procedures.