The Daily Insight

Connected.Informed.Engaged.

general

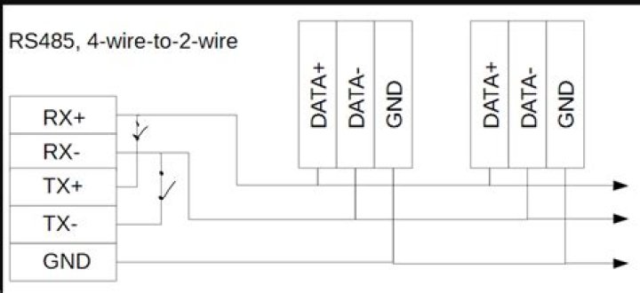
Is there such thing as 2 wire control?

Written by John Parsons — 0 Views

Is there such thing as 2 wire control?

The next wiring design is an old system which you might find in some older homes and industrial settings. It is also called as two wire control wiring (2 Wire Control). This wiring system is not recommended for modern implementations and if you are planning to install a new setup or replace an older one, then the previous wiring must be used.

How does a two way switch wiring work?

The following table shows the truth table for Standard Wiring i.e., 3-Wire Control of Two Way Switch, where the output (status of the light) depends on what terminal (L1 or L2) is connected to the COM terminal.

Do you plug in red and black wires backwards?

You must never plug in the red and black wires backwards (red to black, black to red). Also, you must never plug the red or black wires into the BGY wires. However, when you are trying to find a combination that runs smoothly, the BGY wires can be swapped around between each other without any damage to the Hall sensors.

What’s the mistake of cutting a wire too short?

Mistake 2: Wires too short | Wires that are cut too short make wire connections difficult and—since you’re more likely to make poor connections—dangerous. Leave the wires long enough to protrude at least 3 in. from the box. Solution: Extend wires | If you run into short wires, there’s an easy fix.

What’s the mistake of connecting a metal box to a wire?

If you use a metal box extension on a plastic box, connect the metal extension to the ground wire in the box using a grounding clip and a short piece of wire. Mistake: Missing clamp | Cable that’s not secured can strain the connections. In metal boxes, the sharp edges can cut the insulation on the wires.

What happens if a wiring mistake is left uncorrected?

Wiring problems and mistakes are all too common, and if left uncorrected have the potential to cause short circuits, shocks and even fires. Here’s what to look for and how to fix what you find.

Where does the b / w wiring manual come from?

I don’t know exactly where the colour one comes from (I got it from vintagebus.com which has lots of them), but the B/W one comes from the Aussie repair manual I have — printed in B/W only to save money I guess, so each wire has a code on it like gw for green with white trace etc., — so it has all the info but is hard to follow.